Your browser does not support script
ZWCAD Authorized Distributor
 


CADprofi Electrical

Program helps in designing of all electrical installations in both construction and industry. Application has got a convenient schematic editor, a possibility to design on architectural plans, as well as, the possibility to create 3D models for some installation types.



CADprofi Electrical module can be bought separately or in full CADprofi Suite package, which contains all 4 CADprofi modules for 50% of the price.



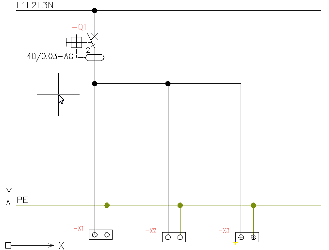
Schemes creator


Are you tired of drawing schemes manually? Would you like to generate them automatically? There is a way!

In CADprofi program, after selecting and placing the apparatus in the dialog window, you can automatically generate energy distribution schemes. In this way, you can quickly prepare the project focusing only on the selection of products and not on manual drawing.



Check out our video tutorials!


Videos show efficient ways to creates by using the CADprofi Electrical add-on. After seeing these movies, you can continue to "manually" draw in your base CAD program.
But will you still want to do it?



Evacuation plans and fire protection installations

CADprofi software is a comprehensive application that helps in designing in both construction and industry, with particular emphasis on plans and systems that ensure the safety of people staying in buildings. Several modules are available that help in designing industry projects related to fire protection and evacuation. CADprofi Electrical module enables the design of fire detection systems, emergency lighting and other intelligent building and safety systems.

Screenshots

Key features


  • Designing power distribution, control and automation installations with usage of multivariant symbols that allows for any configuration of apparatus.
  • Complete symbols of IEC, NFPA, ISO, PN and other libraries that have been prepared in accordance with both national and international standards. Symbols can be inserted with automatic positioning, line interruptions, automatic numbering and labeling.
  • Complete libraries of leading manufacturers (Hager, Lovato, Cablofil, Legrand, ETI and others).
  • Designing on architectural plans, insertion of sockets and connectors, deployment of lighting fixtures, designing linear lighting and power of any energy type. Program also possesses the possibility to configure junction boxes with any configuration of sockets and connectors.
  • Quick addressing of objects and numbering of electrical circuits with automatic control of numbering correctness.
  • Predefined line circuit templates, distribution centres (switchgear), motor starters and many more.
  • Designing ICT cabinets with elements of structural cabling.
  • Designing automation systems - also with inclusion of PLC controllers.
  • Block diagrams, electrical schemes and symbols of electrical equipment used in designing of smart building (EIB/KNS installation symbols, controllers, alarm control panels, neurons, converters, input expanders, USB and HDMI extenders, PoE switches, modems, routers, cameras, sensors etc.).
  • Designing many types of low voltage installations, including alarm systems, supervision, IP video surveillance, antennas and others.
  • Designing cable routes with usage of convenient commands for drawing sequences of cable trays, ducts and cable ladders with automatic insertion of appropriate fittings. Cable trays can be drawn automatically along the indicated infoline
  • Possibility to import luminaires from DIALux. During import all luminaires will be replaced with standard CADprofi blocks and information about them (name, type) will be taken from DIALux and replaced with appropriate attributes.
  • Designing lightning protection systems.
  • Designing photovoltaic installations using products and ready-made PV solutions from ABB, DHEN, EATON, ETI, Hager, Noark Electric, Lovato Electric, Schneider Electric, SCHRACK Technik and other companies.
  • Designing busbars installations with the possibility to work in 2D or 3D.
  • Bill of materials/specifications of amount of cables and other specifications that include parameters of electro-technical objects and their assignment to circuits
  • Designing is done in accordance with designers habits and requirements.
  • Metric or imperial units available.
  • Tools for full description and projects detailing.
  • Automatic numbering of objects.
  • A system of quick search of products in the database.
  • Access to CAD libraries of many world known manufacturers.
  • Possibility to important and add to the program user's own symbols or objects.
  • Automatic layer management and printing styles allows user to achieve prints with predefined line thickness, colours, etc.
  • Possibility to define the list of "favourites" that allows to work in accordance with user habits and preferences.
  • Possibility of adding your own translations or changing the terminology that is used in the program.
  • Smart insertion of objects with the possibility of attaching them to other objects by using the "one-click" technology.
  • Intelligent commands that allow for performing quick editing operations on symbols and objects directly in the drawing.
  • Possibility to create any diagrams, flowcharts, technological and functional schemes, algorithms.
  • Possibility to create bill of materials and specifications that can be either printed or exported to multiple formats including pdf, rtf (doc), xls, xml, csv, html and more.
  • Automatic creation of graphical legends.
  • On-line help with many illustrations and exemplary videos that explain in details how to use the program.
  • On-line update system.


טל: 03-5617090  |   Home  |     |   צור קשר  |   על החברה

© TBM Software Ltd. All 99rights reserved.